陕西久维电力工程有限公司

当前位置:首页 > 解决方案 > 学校供暖系统解决方案

学校供暖系统解决方案

发表日期:2016-08-26 13:25:41浏览次数:243

    以西安一高级中学为计算模型,其建筑符合建筑节能设计标准,末端形式为暖气片供暖,供暖天数为99天,采暖热指标取60W/m2,总供暖面积54592.42m2,北区供暖建筑总面积45268.42 m2,南区供暖建筑总面积9324.00 m2。供热模式为电热水锅炉+储热单元进行供暖,蓄热10小时(22:00-8:00)。


学校.png


 

与其他供暖方式运行费用对比:


1.png


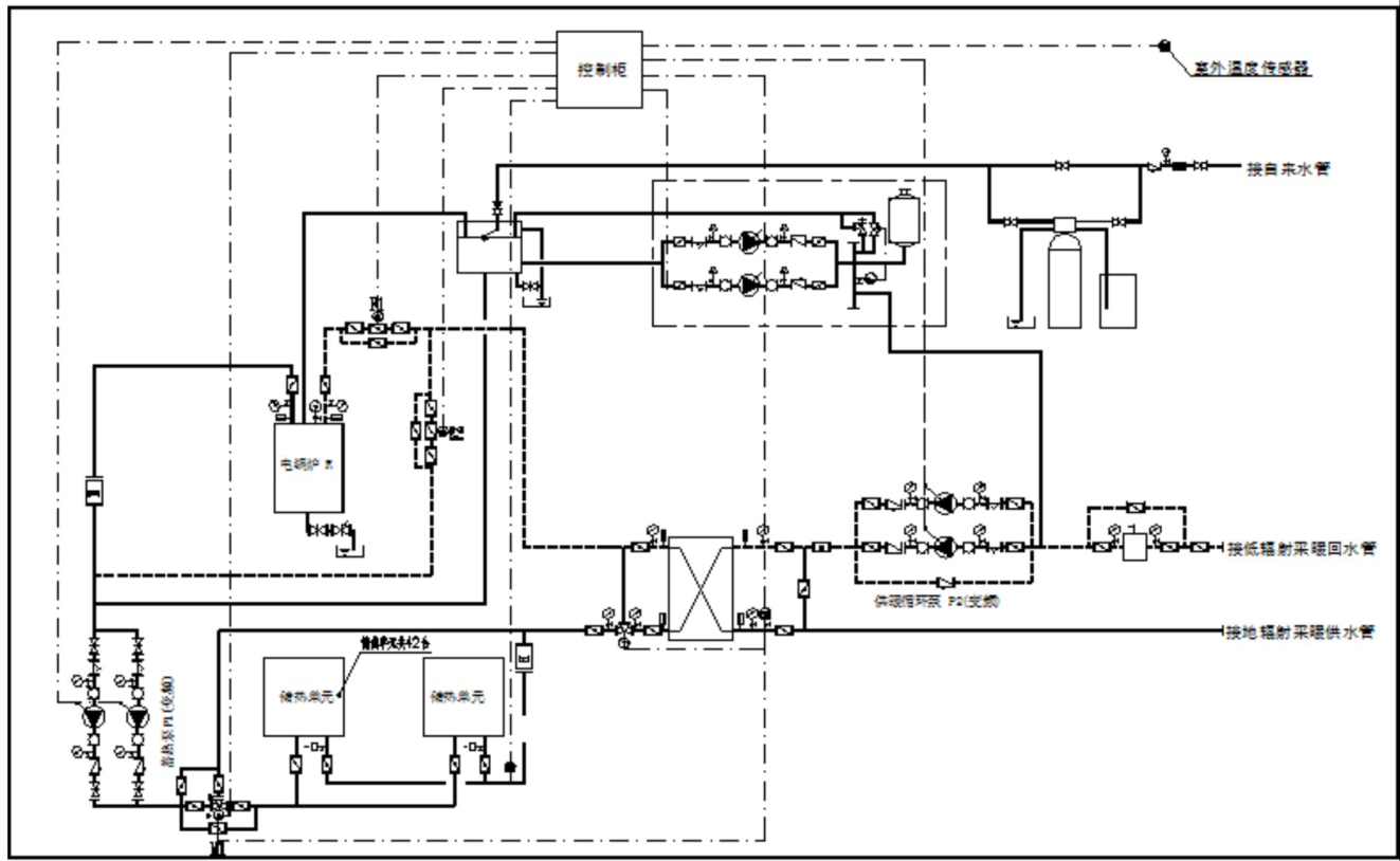
 流程图:


学校流程图.png


如没特殊注明,文章均为本站原创,转载请注明来自http://www.ompower.cc/show.asp?id=23
相关新闻

学校供暖系统解决方案

以西安一高级中学为计算模型,其建筑符合建筑节能设计标准,末端形式为暖…

日期:2016-08-26 浏览次数:243

住宅建筑项目相变蓄热供暖系统…

项目供暖概况:
以西安一住宅楼为计算模型,符合建筑节能设计标准,末端为…

日期:2016-08-29 浏览次数:166

能耗分析优化系统

智能供暖运维能耗分析系统,提供人员、技术、产品和配套监控平台,实现精细化…

日期:2022-07-20 浏览次数:316

商业储热供暖解决方案

项目供暖概况:以西安一商业楼为计算模型,其建筑符合建筑节能设计标准,末端…

日期:2016-12-03 浏览次数:346

太阳能蓄热供暖解决方案

本系统供暖热量主要来源于太阳能,利用相变蓄热单元蓄热,白天太阳能集热器采…

日期:2020-12-26 浏览次数:681

酒店供暖解决方案

以西安一酒店为计算模型,其建筑符合建筑节能设计标准,末端形式为风…

日期:2020-12-28 浏览次数:674

返回顶部